はじめに:電子工作にはもう1つのアプローチがある
電子工作を始めると、最初はArduinoやRaspberry Piなどの マイコン(マイクロコントローラ) を使うことが多いと思います。確かにマイコンは便利で、プログラムを書けばほとんど何でも実現できます。
でも、こんなシーンを想像してみてください。
「LEDを1秒ごとに点滅させたい。それだけ。」
Arduinoを使う場合、setup()を書いて、loop()を書いて、delay()を使って……と、いくつかのステップが必要です。しかし、今回紹介するICを使えば、たった数個の部品をつなぐだけで、プログラムなしに同じことができます。
その主役が、半世紀以上にわたって世界中の電子回路で使われ続けている タイマーIC「555」 です。
📝 この記事で学べること:
- 555タイマーICがどうやって時間を測るのか(動作原理)
- 秋月電子のNE555Nが「普通の555と違う」理由
- Lチカができる「無安定マルチバイブレータ」回路の作り方と計算
💡 対象読者 ブレッドボードで回路を組んだことがある方を対象にしています。Arduinoの経験がある方も、「マイコンを使わない別の世界」として楽しんでいただけます。
今回使う部品:秋月電子の「NE555N」
NE555N(HTC Korea製)- 秋月電子通商で入手可能
NE555N(秋月電子) はHTC Korea社製のタイマーICです。1個数十円という超低価格で入手でき、DIPパッケージなのでブレッドボードにそのまま挿して使えます。
必要な部品一覧
| 部品名 | 仕様 | 数量 | 用途 |
|---|---|---|---|
| タイマーIC | NE555N(秋月電子) | 1個 | メインのIC |
| カーボン抵抗 | 10kΩ × 2本 | 2本 | タイミング設定(R1・R2) |
| 電解コンデンサ | 10μF / 耐圧25V以上 | 1個 | タイミング設定 |
| セラミックコンデンサ | 0.1μF(104) | 1個 | バイパスコンデンサ |
| LED | 赤・緑など好みの色 | 1個 | 動作確認 |
| 電流制限抵抗 | 220Ω | 1本 | LED保護用 |
| ブレッドボード | 標準サイズ | 1枚 | 実装用 |
| 電源 | 5V(USB電源など) | 1個 | 回路電源 |
555タイマーICの基本を理解しよう
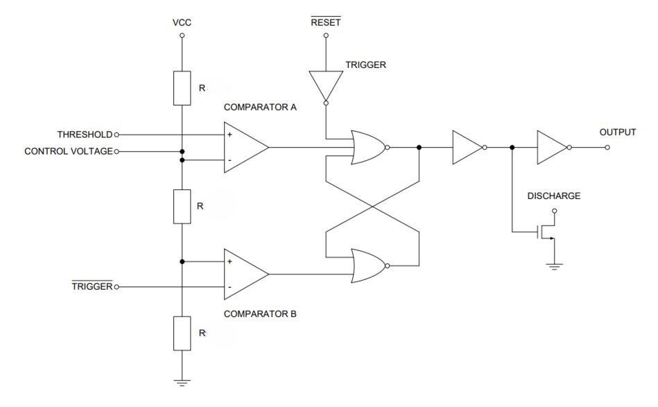
555の内部構造:3つのブロックが連携する
555という名前は、内部に使われている3つの5kΩ抵抗に由来します。この3本の抵抗が電源電圧VCCを均等に3分割し、ICの動作の基準点を作っています。
NE555Nの内部ブロック図
内部は大きく3つのブロックで構成されています。
① 分圧回路(3本の抵抗)
VCCとGNDの間に等値抵抗を3本直列に接続し、電圧を3等分します。5Vで動かす場合、上から 5V → 3.33V → 1.67V → 0V という基準電圧を作ります。
「555」という名前はオリジナルのバイポーラ版が5kΩ × 3本だったことに由来します。一方、CMOS版(HTC製NE555Nなど)ではさらなる省電力化のために100kΩオーダーの高抵抗値で分圧を行っているものが多く、分圧回路自体の消費電力を桁違いに抑えています。名前の由来は5kΩですが、中身は進化しているわけです。
② 2つのコンパレータ(比較器)
- 上側のコンパレータ(THRES用):コンデンサ電圧が 2/3 VCC(=3.33V) を超えたら反応する
- 下側のコンパレータ(TRIG用):コンデンサ電圧が 1/3 VCC(=1.67V) を下回ったら反応する
コンパレータは「大きい・小さい」を判断するだけの回路で、入力電圧が基準を超えた瞬間に出力が切り替わります。
③ SR フリップフロップ(記憶回路)と出力段
コンパレータの出力を受け取り、「今OUTをHIGHにすべきか、LOWにすべきか」を記憶します。フリップフロップの状態は次に変化が起きるまで保持されるため、コンデンサが閾値を超えた瞬間だけでなく、その状態が継続します。
また、フリップフロップは7番ピン(DISCH)とも連動しています。OUTがLOWのとき、DISCHピン内部のトランジスタがONになり、コンデンサをGNDへ放電させます。
ピンの役割(8ピンの簡単解説)
NE555Nのピン配置(DIPパッケージ・8ピン)
| ピン番号 | 名前 | 役割 |
|---|---|---|
| 1 | GND | グランド(0V)に接続 |
| 2 | TRIG(トリガ) | コンデンサ電圧が1/3 VCCを下回ったことを検出 |
| 3 | OUT(出力) | タイマー出力。HIGH/LOWが切り替わる |
| 4 | RESET | LOWにすると強制リセット。通常はVCCに接続 |
| 5 | CONT(コントロール) | 内部の閾値電圧を外部から変更できる。通常は0.1μFでGNDへ |
| 6 | THRES(しきい値) | コンデンサ電圧が2/3 VCCを上回ったことを検出 |
| 7 | DISCH(放電) | コンデンサを放電させる端子 |
| 8 | VCC | 電源電圧(今回は5V)に接続 |
💡 2番と6番は同じコンデンサに接続します 2番(1/3 VCC未満で反応)と6番(2/3 VCC超過で反応)を同じコンデンサに繋ぐことで、充電しすぎたら放電、放電しすぎたら充電、という動作が自動的に繰り返す回路になります。これが「無安定マルチバイブレータ」の基本です。
「NE555なのにCMOS」?バイポーラ版との違いを確認しよう
バイポーラとCMOS:トランジスタの種類が違う
ICの内部は無数のトランジスタで構成されています。そのトランジスタの作り方(構造)が違うのが、バイポーラとCMOSの根本的な差です。
バイポーラトランジスタとは
「バイポーラ」は「2種類の電荷キャリア(正孔と電子)が両方関わる」という意味です。電流を流して電流を制御するタイプで、ベース端子に電流を注入することでスイッチングします。この「電流を使ってスイッチする」という特性のため、常に少量の電流が流れ続けます。その分、出力トランジスタのドライブ能力(電流を流せる量)は大きく、モーターなどの重い負荷を直接動かすのが得意です。
CMOSトランジスタとは
「CMOS(Complementary MOS)」はP型とN型のMOSFETをペアで使う構造です。MOSFETは電圧でスイッチングするため、スイッチが完了した後はほとんど電流が流れません。これが圧倒的な省電力の理由です。ただし、スイッチング時(HIGH↔LOWの切り替え瞬間)には充放電電流が瞬間的に流れます。
まとめると:
| バイポーラ | CMOS | |
|---|---|---|
| スイッチングの仕組み | 電流で制御 | 電圧で制御 |
| 待機時の消費電流 | 常に流れる(数mA) | ほぼゼロ(数百μA以下) |
| 得意なこと | 大電流の駆動 | 省電力・低電圧動作 |
| 苦手なこと | 電池長期駆動 | 大電流の直接駆動 |
555タイマーには大きく2種類のバリエーションがあります。
| 種類 | 代表的な型番 | 特徴 |
|---|---|---|
| バイポーラ版 | NE555、SE555 | 出力電流が大きい(最大200mA)。消費電流が多い(3〜6mA) |
| CMOS版 | LMC555、TLC555、ICM7555、NE555N(HTC製) | 省電力(数百μA以下)。低電圧でも動く。型番に「C」や「M」が入ることが多い |
同じ「555」を探していて「LMC555」「TLC555」「ICM7555」という型番を見かけた場合、これらはすべてCMOS版の仲間です。メーカーは違っても基本的な動作は同じなので、今回の回路に応用できます。
秋月電子で販売されているHTC Korea製のNE555Nは、商品ページに明記されている通りCMOS版です。「NE555N」という型番ですが、中身はCMOS——購入前にデータシートを確認しておくと安心です。
バイポーラ版 vs 秋月のNE555N(CMOS版)
| 比較項目 | バイポーラ版NE555 | 秋月 NE555N(CMOS) |
|---|---|---|
| 動作電源電圧 | 4.5V 〜 16V | 2V 〜 18V |
| 無負荷時の消費電流 | 約 3mA 〜 6mA | 約 300μA(18V時) |
| 最大発振周波数 | 約 100kHz | 約 500kHz |
| 出力電圧スイング | HIGH 側に約 1.5V のドロップあり | ほぼ GND〜VCC(レール・トゥ・レール) |
| 出力電流 | 最大 200mA | 最大 100mA程度 |
| スイッチング時のノイズ | 大きな貫通電流スパイクあり | 非常に小さい |
何が嬉しいのか?
- 乾電池2本(約3V)でも動く:IoTデバイスやコイン電池を使う機器に最適
- 圧倒的な省電力:常時動作させても電池がなかなか減らない
- 高周波にも強い:オーディオ用途や高速クロックの生成にも使える
- レール・トゥ・レール出力:HIGHのとき出力電圧がVCCに近く、LEDがより明るく光る。計算した電圧が素直に出るので回路設計もシンプルになる
- ノイズが少ない:バイポーラ版は出力切り替え時に大きな貫通電流スパイクが発生し電源を汚しますが、CMOS版はこの影響が非常に小さいため周辺回路への干渉が少ない
モーターを直接動かすような「力仕事」はバイポーラ版に軍配が上がりますが、信号の生成やLEDの制御にはこのCMOS版が優れています。
⚠️ バイパスコンデンサを忘れずに! VCC(8番ピン)とGND(1番ピン)の間には、0.1μFのセラミックコンデンサ(パスコン)をICのできるだけ近くに接続してください。ICのスイッチング時に発生するノイズを吸収し、誤動作を防ぎます。 CMOS版はバイポーラ版と比べてスイッチング時の貫通電流スパイクが非常に小さく、電源ラインへのノイズ放出量も少ないです。それでもパスコンは省略せず、基本どおり実装することを推奨します。
「安定状態」という考え方
回路の説明に入る前に、「無安定」「単安定」という言葉の意味を整理しておきます。
ここで言う 「安定状態」 とは、「外から何もしなくても、その出力を保ち続けられる状態」のことです。
- OUTがHIGHのまま何もしなくても維持できる → これが1つの安定状態
- OUTがLOWのまま何もしなくても維持できる → これも1つの安定状態
この「安定状態がいくつあるか」で回路の名前が変わります。
| 名前 | 安定状態の数 | 動作 |
|---|---|---|
| 無安定マルチバイブレータ | 0個 | 安定して止まれる場所がない。電源が入っている限り永遠に発振し続ける |
| 単安定マルチバイブレータ | 1個 | 通常はLOW(安定)。トリガーを受けると一時的にHIGHになり、時間が経つと自動でLOWに戻る |
| 双安定マルチバイブレータ | 2個 | HIGHもLOWも両方安定。外から信号が来るまで変化しない(フリップフロップそのもの) |
「マルチバイブレータ」は「複数の状態を振動する回路」という意味で、もともとは真空管時代の用語です。
今回作るLチカ回路は無安定マルチバイブレータです。次回以降の記事で扱うPWM制御やAtari Punk Consoleでは、単安定・双安定も登場します。
Lチカ回路を作る(無安定マルチバイブレータ)
555タイマーの最も基本的な使い方、「一定の周期でLEDを点滅させる」 回路を作ります。
この回路は「無安定マルチバイブレータ」と呼ばれ、外部から何もしなくても、ICが自動的に出力をON/OFFし続けます。
回路図
無安定マルチバイブレータ回路図(KiCad)
なぜLEDが点滅するのか:充放電サイクルを追う
この回路の「心臓部」はコンデンサCの充電・放電です。電源を入れた瞬間から何が起きているか、順を追って見てみましょう。
【STEP 1】電源投入直後:コンデンサが空の状態
電源を入れた直後、コンデンサCの電圧は0Vです。0Vは明らかに1/3 VCC(=1.67V)を下回っているため、下側のコンパレータが反応し、フリップフロップが「OUTをHIGH」に設定します。
同時に、7番ピン(DISCH)内部のトランジスタはOFFになります。
【STEP 2】充電フェーズ:コンデンサが溜まっていく
OUTがHIGHのとき、DISCHピンのトランジスタはOFFです。電流はVCC → R1 → R2 → コンデンサCという経路で流れ、コンデンサが充電されていきます。
このとき2番ピン(TRIG)と6番ピン(THRES)は両方ともコンデンサに繋がっているため、コンデンサの電圧がそのまま両ピンに現れます。
コンデンサの充電速度は (R_1 + R_2) \times C で決まります(RC時定数)。
【STEP 3】充電完了のトリガー:2/3 VCCを超えた瞬間
コンデンサの電圧が 2/3 VCC(=3.33V) を超えた瞬間、上側のコンパレータが反応し、フリップフロップが「OUTをLOW」に切り替えます。
同時に、7番ピン(DISCH)内部のトランジスタがONになります。
【STEP 4】放電フェーズ:コンデンサが空になっていく
OUTがLOWになり、DISCHのトランジスタがONになると、コンデンサの電荷はC → R2 → 7番ピン(DISCH)→ GNDという経路で放電されていきます。
注目ポイント:R1は放電経路に含まれません。 充電はR1+R2を通りますが、放電はR2のみを通ります。これがONとOFFの時間が非対称になる理由です。
【STEP 5】放電完了のトリガー:1/3 VCCを下回った瞬間
コンデンサの電圧が 1/3 VCC(=1.67V) を下回った瞬間、下側のコンパレータが反応し、再びフリップフロップが「OUTをHIGH」に切り替えます。DISCHのトランジスタもOFFに戻ります。
これでSTEP 2に戻り、充放電サイクルが永遠に繰り返されます。
コンデンサ電圧(上)と出力波形(下)のタイミングチャート
tH(HIGH時間) = コンデンサが1/3 VCCから2/3 VCCまで充電される時間
t_H = (R_1 + R_2) \times C \times \ln 2 \approx 0.693 \times (R_1 + R_2) \times CtL(LOW時間) = コンデンサが2/3 VCCから1/3 VCCまで放電される時間
t_L = R_2 \times C \times \ln 2 \approx 0.693 \times R_2 \times C周期 T = t_H + t_L = 0.693 \times (R_1 + 2R_2) \times C となり、周波数の公式はその逆数です。
抵抗・コンデンサの値と周期の調整方法
f = \frac{1.44}{(R_1 + 2R_2) \times C}この式に出てくる 1.44 は、自然対数の \ln 2 \approx 0.693 の逆数です。充放電の時定数式を解くと t \propto 0.693 \times RC になり、周波数(時間の逆数)にすると 1 \div 0.693 \approx 1.44 が係数として現れます。「なぜ 1.44?」と思ったら「ln2 の逆数」と覚えておけばOKです。
NE555N データシートの使い方と秋月での入手
秋月電子の商品ページには英語のデータシートへのリンクが掲載されています。動作電圧範囲・出力電流・最大周波数などの絶対最大定格を確認するクセをつけましょう。今回の回路であれば、VCC = 5V・出力電流 ≪ 100mA なので問題ありません。
部品の値と周波数の計算例
例:R1 = 10kΩ、R2 = 10kΩ、C = 10μFの場合
f = \frac{1.44}{(10000 + 20000) \times 0.00001} \approx 4.8 \text{ Hz}LEDが1秒間に約5回点滅します。目でパラパラと点滅がわかる、動作確認にちょうど良い速さです。
デューティ比の確認
デューティ比(OUTがHIGHの時間の割合)は次の式で求められます。
\text{Duty}(\%) = \frac{R_1 + R_2}{R_1 + 2R_2} \times 100今回の値を代入すると…
\text{Duty} = \frac{10k + 10k}{10k + 20k} \times 100 = \frac{20k}{30k} \times 100 \approx 66.7\%実際にオシロスコープで計測してみると…
オシロスコープによるデューティ比の実測(66.62%)
| 項目 | 値 |
|---|---|
| 理論周波数 | 4.8 Hz |
| 実測周波数 | 5.083 Hz |
| 理論デューティ比 | 66.7% |
| 実測デューティ比 | 66.62% |
周波数はコンデンサや抵抗の誤差(±10〜20%)の範囲内で一致しています。デューティ比は理論値66.7%に対し66.62%と、誤差0.08%という非常に正確な結果になりました。
💡 R1 = R2 のときは常に約66.7% 充電は R1+R2 を通り、放電は R2 だけを通ります。R1=R2 にすると充電時間が放電時間のちょうど2倍になるため、デューティ比は必ず 2/3 ≈ 66.7% になります。
点滅速度を変えたいときは?
| 目標 | 変え方 | 理由 |
|---|---|---|
| 遅くする | R2またはCを大きくする | 充放電に時間がかかるようになるから |
| 速くする | R2またはCを小さくする | 充放電が素早く終わるから |
| R2を可変抵抗にする | ツマミで速度調整 | tHとtLが同じ比率で伸び縮みする |
⚠️ デューティ比 50% 以下にはできない この回路構成では、R1 が必ず充電経路に含まれるため、充電時間(tH)は常に放電時間(tL)より長くなります。つまり デューティ比は理論上 50% を下回ることができません(R1→0 の極限でようやく 50% に近づく)。 「消灯時間を点灯時間より長くしたい(デューティ比 50% 以下にしたい)」場合は、R1 と R2 の間にダイオードを追加して充電経路と放電経路を分離する改造が必要です。
配線のポイント
- ICの向きに注意:切り欠き(半円のくぼみ)が左になるように挿す
- コンデンサの極性:電解コンデンサには「+」「−」があります。「−」(白いラインの側)をGNDへ接続
- LEDには必ず抵抗を:3番ピンの出力に直接LEDを繋がず、220Ω程度の抵抗を直列に入れる
- パスコンを忘れずに:0.1μFのセラミックコンデンサをVCC−GND間・ICのできるだけ近くに接続。余裕があれば電解コンデンサ(10〜100μF)も並列に追加すると電源ラインがより安定します
💡 R1はなぜ必要? STEP 4の放電フェーズでは、7番ピン(DISCH)がGNDとほぼ同電位になります。もしR1がないと、VCCから7番ピンへ電流が直接流れ込み、ICが破損します。小さい値(1kΩ程度)でも必ずR1を入れましょう。
トラブルシューティング
回路を組んだのに何も動かない
- 電源電圧を確認:テスターでVCC〜GND間が5V出ているか確認
- ICの向きを確認:切り欠きの向きが合っているか
- 4番ピンを確認:RESETピン(4番)は必ずVCCに直結してください。オープン(未接続)は厳禁です。CMOS版は入力インピーダンスが高くノイズを拾いやすいため、浮いた状態だと意図しないリセットが頻発します
- コンデンサの極性を確認:電解コンデンサの+側がピン2・6番側になっているか
- パスコンの確認:0.1μFのセラミックコンデンサがVCC−GND間に入っているか
発振しているのにLEDが光らない
- LEDの向きを逆にしてみる(アノード・カソードが逆の可能性)
- 電流制限抵抗が大きすぎないか確認(220Ω以下推奨)
発振周波数が計算値からずれる
よくあることです。コンデンサや抵抗には**誤差(±10〜20%)**があります。また、CMOS版は温度によっても若干変動します。精密な周波数が必要な場合は、可変抵抗を使って実測しながら調整してください。
実際の動作デモ
まとめ
今回は秋月電子のCMOSタイマーIC「NE555N」を使って、無安定マルチバイブレータによるLチカを実際に組んで確認しました。
プログラムを1行も書かずに、抵抗とコンデンサの値を変えるだけで点滅速度が変わる——これがアナログ回路の面白さです。
555タイマーにはまだまだ応用があります。次回以降の記事では、ダイオードを使ったPWM制御や、2つの555を組み合わせた電子楽器(Atari Punk Console)なども紹介していく予定です。